Skip to content
Contact us: info@stardrawing.com
  • Contact
  • Facebook
  • Twitter

Stardrawing

Your OEM/ODM Center for High Grade Caster Wheels | Made in China

  • Caster Appreciation
    Real Photos Taken by Us
    • PU Polyurethane Caster
      • PU on Polymer
      • PU on Cast Iron
      • PU on Steel
      • PU on Aluminum
      • Solid PU
    • PVC Polyvinyl Chloride Caster
    • Rubber Caster
      • Rubber on Polymer
      • Rubber on Cast Iron
      • Rubber on Steel
      • Rubber on Aluminum
      • Hard & Soft Rubber
      • Conductive Rubber
      • High Elastic Rubber
    • TPR Thermoplastic Rubber Caster
    • Nylon Caster
      • Black Nylon
      • White Nylon
      • Nylon on Polymer
      • Nylon on Cast Iron
    • PP Polypropylene Caster
    • Steel Caster
      • Cast Iron
      • Ductile Steel
      • Forged Steel
      • U & V Groove Caster
    • Brass Caster
    • Stainless Steel Caster
    • High Temperature Caster
    • Pneumatic Caster
    • Semi-Pneumatic Caster
    • Shock Absorber Caster
    • Leveling Caster
    • Floor Truck Lock
    • Caster Bracket
    • Caster Accessories
    • Forklift Wheel
    • AGV Wheel
    • Furniture Caster
    • Low Profile Caster
    • Medical Caster
    • Wheelchair Wheel
    • Scaffold Caster
    • Shipping Container Wheel
    • Shopping Cart Caster
  • Caster Content
    Part of Our E-catalogue
    • Mini Duty Caster
    • Light Duty Caster
    • Medium Duty Caster
    • Heavy Duty Caster
    • Extra-Heavy Duty Caster
    • Stainless Steel Caster
    • Shock Absorbing Caster
    • Leveler & Support Frame
    • Forklift Wheel
    • Platform Truck
  • Stardrawing Video
    Know More About Us
  • What’s New
    See the Latest

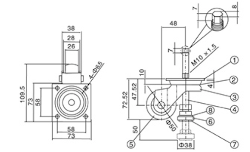
LC Series Leveler | 200-700kg

AuthorGrace GuPosted on2016-11-222016-12-04Categoriescaster, Leveler & Support Frame

20-37-13

20-40-47

20-41-26

SHARE:

  • Share on X (Opens in new window) X
  • Share on Facebook (Opens in new window) Facebook
  • Share on Tumblr (Opens in new window) Tumblr
  • Share on Pinterest (Opens in new window) Pinterest
  • Email a link to a friend (Opens in new window) Email
  • Share on Reddit (Opens in new window) Reddit
  • Share on LinkedIn (Opens in new window) LinkedIn
  • Print (Opens in new window) Print

Related

Post navigation

← SH Series leveler | 50-1000kg
TA Series Extra-Heavy Duty | <907kg →

StarDrawing Info

333 Jinggang Road, Pudong New Area, Shanghai, China 201206
(+86) 21-5068-8583
If you have any questions, please no hesitate to contact us by email:
info@stardrawing.com
A friendly associate will respond to you as soon as possible.

Monday-Friday: 9:00 A.M. - 5:00 P.M.
Saturday & Sunday: Closed

Facebook

Facebook
  • Terms & Conditions
Automattic.
  • Subscribe Subscribed
    • Stardrawing
    • Already have a WordPress.com account? Log in now.
    • Stardrawing
    • Subscribe Subscribed
    • Sign up
    • Log in
    • Copy shortlink
    • Report this content
    • View post in Reader
    • Manage subscriptions
    • Collapse this bar

Loading Comments...